16.熱容量,類型H1...,規格3-26,n1=1000min-1
17.熱容量,類型H1...,規格3-26,n1=1500min-1
19.熱容量,類型H2...,規格4-26,n1=1000min-1
20.熱容量,類型H2...,規格4-26,n1=1500min-1
23.熱容量,類型H3...,規格5-26,n1=1000min-1
24.熱容量,類型H3...,規格5-26,n1=1500min-1
27.熱容量,類型H4...,規格7-26,n1=1000min-1
29.熱容量,類型B2...,規格4-26,n1=1000min-1
30.熱容量,類型B2...,規格4-26,n1=1500min-1
33.熱容量,類型B3...,規格4-26,n1=1000min-1
34.熱容量,類型B3...,規格4-26,n1=1500min-1
36.熱容量,類型B4...,規格5-26,n1=1000min-1
37.實際傳動比,類型H1...,H2...,H3...,H4...,規格3-14
38.實際傳動比,類型H1...,H2...,H3...,H4...,規格15-26
39.實際傳動比,類型B2...,B3...,B4...,規格4-14
40.實際傳動比,類型B2...,B3...,B4...,規格15-26
43.轉動慣量J1,類型H1...,H2...,H3...,H4...,規格3-14
44.轉動慣量J1,類型H1...,H2...,H3...,H4...,規格15-26
45.轉動慣量J1,類型B2...,B3...,B4...,規格4-14
46.轉動慣量J1,類型B2...,B3...,B4...,規格15-26
53.兩級傳動,臥式安裝,類型H2.H,H2.M,規格13-22
54.兩級傳動,臥式安裝,類型H2.H,H2.M,規格13-22
55.兩級傳動,臥式安裝,類型H2.H,H2DM,規格23-26
56.兩級傳動,臥式安裝,類型H2.H,H2DM,規格23-26
59.三級傳動,臥式安裝,類型H3.H,H3.M,規格13-22
60.三級傳動,臥式安裝,類型H3.H,H3.M,規格13-22
61.三級傳動,臥式安裝,類型H3.H,H3DM,規格23-26
62.三級傳動,臥式安裝,類型H3.H,H3DM,規格23-26
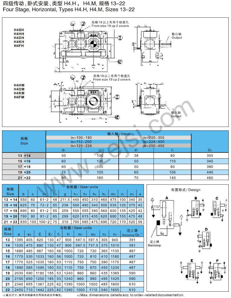
65.四級傳動,臥式安裝,類型H4.H,H4.M,規格13-22
66.四級傳動,臥式安裝,類型H4.H,H4.M,規格13-22
67.四級傳動,臥式安裝,類型H4.H,H4DM,規格23-26
68.四級傳動,臥式安裝,類型H4.H,H4DM,規格23-26
71.兩級傳動,臥式安裝,類型B2.H,B2.M,規格13-18
72.兩級傳動,臥式安裝,類型B2.H,B2.M,規格13-18
75.三級傳動,臥式安裝,類型B3.H,B3.M,規格13-22
76.三級傳動,臥式安裝,類型B3.H,B3.M,規格13-22
77.三級傳動,臥式安裝,類型B3.H,B3DM,規格23-26
78.三級傳動,臥式安裝,類型B3.H,B3DM,規格23-26
81.四級傳動,臥式安裝,類型B4.H,B4.M,規格13-22
82.四級傳動,臥式安裝,類型B4.H,B4.M,規格13-22
83.四級傳動,臥式安裝,類型B4.H,B4DM,規格23-26
84.四級傳動,臥式安裝,類型B4.H,B4DM,規格23-26
111.帶縮緊盤的空心軸,類型:H2,H3,H4,B3,B4,規格4-26
113.帶平鍵聯接的空心軸,類型:H2,H3,H4,B3,B4,規格4-18
115.帶花鍵(按照DIN5480)的空心軸,類型:H2,H3,H4,B3,B4,規格5-26
116.帶花鍵(按照DIN5480)的空心軸,類型:B2,規格5-18
117.與法蘭軸聯接的對接法蘭,類型:H2,H3,H4,B2,B3,B4,規格5-12
118.與法蘭軸聯接的對接法蘭,類型:H2,H3,H4,B2,B3,B4,規格13-26
120.潤滑油供給方式可選方案,類型:H2,H3,H4,B2,B3,B4,規格3-26
121.浸油潤,立式安裝,類型:H2,H3,H4,B2,B3,B4,規格4-12
122.強制潤滑,法蘭泵,類型:H2.V,H3.V,H4.V,規格5-18,立式安裝
123.強制潤滑,法蘭泵,類型:B2.V,B3.V,B4.V,規格5-18,立式安裝
124.強制潤滑,電動泵,類型:H2,H3,H4,B2,B3,B4,規格5-18,立式安裝
125.強制潤滑,檢測元件,類型:H2,H3,H4,B2,B3,B4,規格5-18,立式安裝
129.水-油冷卻器,臥式安裝,類型:H1SH,規格5-17
130.水-油冷卻器,臥式安裝,類型:H2.H,規格5-18
131.水-油冷卻器,臥式安裝,類型:B2.H,規格5-12
132.水-油冷卻器,臥式安裝,類型:B2.H,規格13-18
133.汽-油冷卻器,臥式安裝,類型:H1SH,規格5-11
134.汽-油冷卻器,臥式安裝,類型:H1SH,規格13-17
135.汽-油冷卻器,臥式安裝,類型:H2.H,規格5-12
136.汽-油冷卻器,臥式安裝,類型:H2.H,規格13-18
137.汽-油冷卻器,臥式安裝,類型:B2.H,規格5-12
138.汽-油冷卻器,臥式安裝,類型:B2.H,規格13-18
139.帶加熱元件,類型:H2,H3,H4,B2,B3,B4,規格4-18
140.帶油溫計,類型:H2,H3,H4,B2,B3,B4,規格4-18
145.用于IEC-電機的電機安裝法蘭,類型H2..,規格4-14,帶BIPEX聯軸器
146.用于IEC-電機的電機安裝法蘭,類型H2..,規格4-14,帶BIPEX聯軸器
147.用于IEC-電機的電機安裝法蘭,類型H3..,規格5-18,帶BIPEX聯軸器
148.用于IEC-電機的電機安裝法蘭,類型H3..,規格5-18,帶BIPEX聯軸器
149.用于IEC-電機的電機安裝法蘭,類型H4..,規格7-18,帶BIPEX聯軸器
150.用于IEC-電機的電機安裝法蘭,類型H4..,規格7-18,帶BIPEX聯軸器
151.用于IEC-電機的電機安裝法蘭,類型B2..,規格4-14,帶BIPEX聯軸器
152.用于IEC-電機的電機安裝法蘭,類型B2..,規格4-14,帶BIPEX聯軸器
153.用于IEC-電機的電機安裝法蘭,類型B3..,規格4-18,帶BIPEX聯軸器
154.用于IEC-電機的電機安裝法蘭,類型B3..,規格4-18,帶BIPEX聯軸器
155.用于IEC-電機的電機安裝法蘭,類型B4..,規格5-18,帶BIPEX聯軸器
156.用于IEC-電機的電機安裝法蘭,類型B4..,規格5-18,帶BIPEX聯軸器
157.用于IEC-電機的電機安裝法蘭,類型H2..,規格4-14,帶N-EUPEX聯軸器
158.用于IEC-電機的電機安裝法蘭,類型H2..,規格4-14,帶N-EUPEX聯軸器
159.用于IEC-電機的電機安裝法蘭,類型H3..,規格5-18,帶N-EUPEX聯軸器
160.用于IEC-電機的電機安裝法蘭,類型H3..,規格5-18,帶N-EUPEX聯軸器
161.用于IEC-電機的電機安裝法蘭,類型H4..,規格7-18,帶N-EUPEX聯軸器
162.用于IEC-電機的電機安裝法蘭,類型H4..,規格7-18,帶N-EUPEX聯軸器
163.用于IEC-電機的電機安裝法蘭,類型B2..,規格4-14,帶N-EUPEX聯軸器
164.用于IEC-電機的電機安裝法蘭,類型B2..,規格4-14,帶N-EUPEX聯軸器
165.用于IEC-電機的電機安裝法蘭,類型B3..,規格4-18,帶N-EUPEX聯軸器
166.用于IEC-電機的電機安裝法蘭,類型B3..,規格4-18,帶N-EUPEX聯軸器
167.用于IEC-電機的電機安裝法蘭,類型B4..,規格5-18,帶N-EUPEX聯軸器
168.用于IEC-電機的電機安裝法蘭,類型B4..,規格5-18,帶N-EUPEX聯軸器
169.齒輪箱減振扭力臂支撐,類型H2,H3,H4,B2,B3,B4
170.齒輪箱減振扭力臂支撐,類型H2,H3,H4,B2,B3,B4
171.齒輪箱浮動底座,帶N-EUPEX聯軸器,IEC電機及相應的聯軸器和制動器
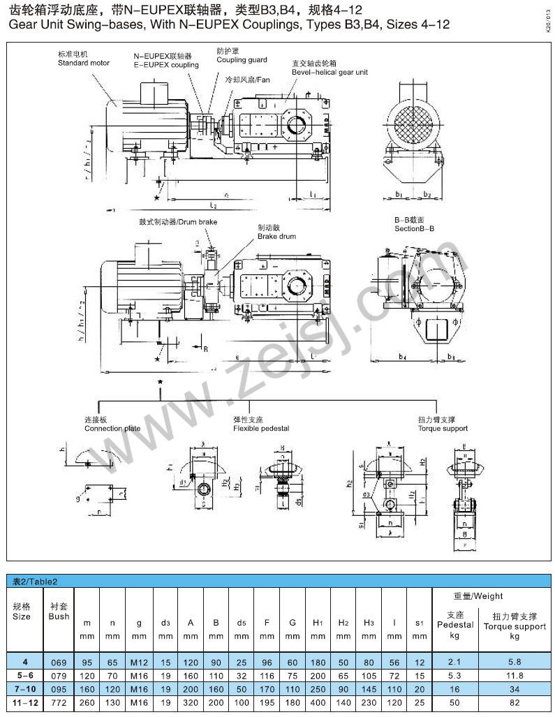
172.齒輪箱浮動底座,帶N-EUPEX聯軸器,類型B3,B4,規格4-12
173.齒輪箱浮動底座,帶N-EUPEX聯軸器,類型B3,規格4-12
174.齒輪箱浮動底座,帶N-EUPEX聯軸器,類型B4,規格5-12
175.齒輪箱浮動底座,帶N-EUPEX聯軸器,類型B3,B4,規格13-18
176.齒輪箱浮動底座,帶N-EUPEX聯軸器,類型B3,規格13-18
177.齒輪箱浮動底座,帶N-EUPEX聯軸器,類型B4,規格13-18
178.齒輪箱浮動底座,帶FLUDEX液力偶合器,IEC-電機及相應的聯軸器和制動器
179.齒輪箱浮動底座,帶FLUDEX液力偶合器,類型B3,B4,規格4-12
180.齒輪箱浮動底座,帶FLUDEX液力偶合器,類型B3,規格4-12
181.齒輪箱浮動底座,帶FLUDEX液力偶合器,類型B4,規格5-12
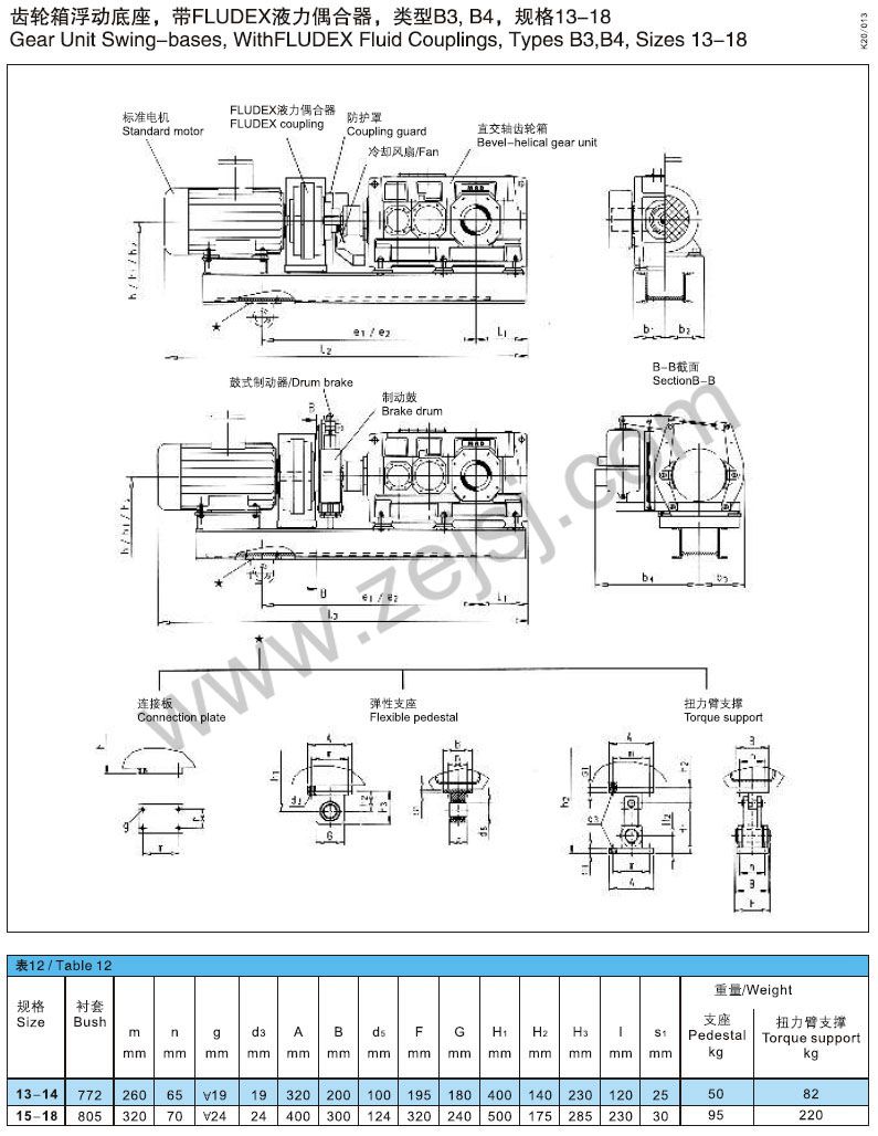
182.齒輪箱浮動底座,帶FLUDEX液力偶合器,類型B3,B4,規格13-18
183.齒輪箱浮動底座,帶FLUDEX液力偶合器,類型B3,規格13-18





